Produk
RUMAH > Produk
LMZW9-0.66 Pengubah Arus
  • LMZW9-0.66 Pengubah ArusLMZW9-0.66 Pengubah Arus
  • LMZW9-0.66 Pengubah ArusLMZW9-0.66 Pengubah Arus

LMZW9-0.66 Pengubah Arus

Beli Transformer Semasa LMZW9-0.66 berkualiti tinggi daripada pengeluar China Comewill. Transformer ini direka khusus untuk litar AC 50Hz yang dinilai pada 0.66kV dan ke bawah, memenuhi keperluan kritikal untuk pemantauan semasa yang tepat dan pemeteran tenaga dalam sektor pengagihan kuasa industri dan bangunan. Menggunakan proses tuangan resin tak tepu, unit ini menampilkan struktur yang teguh dengan rintangan lembapan yang sangat baik dan kestabilan haba, dengan berkesan mengurangkan kos penyelenggaraan sepanjang keseluruhan kitaran hayatnya.
Sebagai pengilang profesional peralatan kuasa di China, Comewill mematuhi piawaian IEC 61869 dengan tegas, memastikan prestasi Transformer Semasa LMZW9-0.66 yang stabil dan boleh dipercayai. Reka bentuk pelekap tetapnya memudahkan pendawaian di tapak, membolehkan penyepaduan yang lancar ke dalam pelbagai sistem pengagihan kuasa voltan rendah—sama ada untuk naik taraf atau projek pembinaan baharu.

Parameter Teknikal pengubah arus LMZW-0.66:

Kekerapan Dinilai 50/60Hz
Voltan terkadar 0.6kV atau 0.66 kV
Voltan tertinggi untuk peralatan 0.72kV
Kekerapan kuasa menahan voltan 3kV
Piawaian teknikal sesuai dengan IEC60044-1:2003 atau IEEE STD C57.13-2008
taip Arus primer berkadar (A) Output dinilai VA(cosФ=0.8lag)
0.2S 0.2 0.5S 0.5 1
LMZ-0.66 75-100 10-3.75 10-3.75 10-3.75 10-3.7510-3.75 10-3.75
LMZ-0.66 150-300 10-3.75 10-3.75 10-3.75 10-3.75 10-3.75
LMZ-0.66 400-750 10-3.75 10-3.75 10-3.75 10-3.75 10-3.75
LMZ-0.66 1000-1500 10-3.75 10-3.75 10-3.75 10-3.75 10-3.75


Ciri-ciri Produk

1. Prestasi Stabil

LMZW9-0.66 Current Transformer kilang Comewill mematuhi piawaian IEC 61869, IEC60044-1 dan IEEE C57.13

Pengukuran arus yang tepat merentasi pelbagai arus primer (75–1500A)

Output berkadar 10–3.75 VA (cosφ=0.8 lag) memastikan isyarat yang konsisten untuk pemeteran dan perlindungan


2. Reka Bentuk Dalaman Pemasangan Tetap

Memudahkan pendawaian dan penyepaduan ke dalam suis dan panel voltan rendah

Mengurangkan ralat pemasangan dan keperluan penyelenggaraan

Reka bentuk padat memaksimumkan penggunaan ruang panel


3. Julat Operasi yang Luas

Suhu operasi: -25℃ hingga +55℃

Kelembapan relatif: ≤90%, tiada pemeluwapan

Ketinggian: ≤1000 meter dari aras laut

Persekitaran dalaman bebas pencemaran, bebas habuk dan bebas gas menghakis


4. Keselamatan & Pematuhan yang Tinggi

Kekerapan kuasa menahan voltan: 3kV

Voltan terkadar: 0.6–0.66kV, dengan voltan peralatan maksimum 0.72kV

Direka untuk operasi selamat jangka panjang dalam rangkaian pengedaran voltan rendah


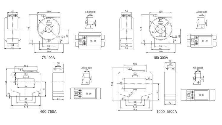
Garis Besar & Dimensi Pemasangan

Selamat Datang (Wenzhou) Electric Co., Ltd


Soalan Lazim


S1: Adakah anda sebuah kilang atau syarikat perdagangan?

A1: Kami adalah sebuah kilang, yang membolehkan kami menawarkan harga yang sangat kompetitif secara langsung.


S2: Apakah proses kawalan kualiti anda?

A2: Kami memastikan semua produk menjalani pemeriksaan 100% sebelum penghantaran.


S3: Bilakah saya boleh mengharapkan untuk menerima sebut harga?

A3: Kami biasanya memberikan sebut harga dalam masa 24 jam selepas menerima pertanyaan anda.


S4: Bagaimanakah saya boleh mendapatkan sampel?

A4: Anda boleh membeli sampel, yang akan termasuk kos sampel dan yuran penghantaran. Caj penghantaran ekspres bergantung pada kuantiti dan berat sampel.


S5: Apakah kos penghantaran?

J5: Kos penghantaran berbeza-beza bergantung pada pelabuhan destinasi.


Teg Panas: LMZW9-0.66 Transformer Semasa, China, Pengilang, Pembekal, Kilang, Borong, Disesuaikan, Dalam Stok, Buatan China, Harga Rendah, Kualiti
Hantar Pertanyaan
Maklumat Hubungan
Hantar pertanyaan kepada Comewill untuk suis, pemutus litar vakum, pengubah arus. Dapatkan sebut harga tersuai, harga rendah atau sokongan pakar daripada pasukan kilang China kami.
X
Kami menggunakan kuki untuk menawarkan anda pengalaman menyemak imbas yang lebih baik, menganalisis trafik tapak dan memperibadikan kandungan. Dengan menggunakan tapak ini, anda bersetuju dengan penggunaan kuki kami. Dasar Privasi
Tolak Terima