Produk
RUMAH > Produk
Alat Suis Gabungan Voltan Rendah GGJ
  • Alat Suis Gabungan Voltan Rendah GGJAlat Suis Gabungan Voltan Rendah GGJ

Alat Suis Gabungan Voltan Rendah GGJ

Alat Suis Gabungan Voltan Rendah GGJ yang dibangunkan oleh Welcome (Wenzhou) Electric Co., Ltd., pengeluar profesional di China, menampilkan reka bentuk bantuan komputer dan teknologi kawalan mikrokomputer bersepadu untuk mengesan dan mengimbangi kuasa reaktif secara bijak. Mempunyai struktur rasional dan teknologi matang, ia digunakan secara meluas dalam grid kuasa voltan rendah.

Sebagai pengilang profesional di China, kilang Comewill ingin memberikan anda GJJ Low Voltage Combination Switchgear berkualiti, yang berkesan meningkatkan faktor kuasa, mengurangkan kehilangan kuasa reaktif dan meningkatkan kualiti bekalan kuasa. Dikawal oleh pengawal pintar, ia menawarkan kefungsian penuh dan prestasi yang boleh dipercayai dengan pampasan automatik, mampu meningkatkan faktor kuasa melebihi 0.9.

Alat Suis Gabungan Voltan Rendah GGJ menyediakan paparan masa nyata faktor kuasa grid, meliputi kedua-dua julat ketinggalan (0.00-0.99) dan terkemuka (0.00-0.99). Ia dilengkapi dengan fungsi perlindungan komprehensif terhadap voltan lampau, harmonik berlebihan, pampasan berlebihan, kerosakan sistem, kehilangan fasa, beban lampau dan banyak lagi. Ia mengekalkan parameter yang ditetapkan walaupun semasa gangguan bekalan elektrik, menyambung semula operasi secara automatik setelah grid stabil—tiada kakitangan di tapak diperlukan.

Berdasarkan keseimbangan beban grid, Alat Suis Gabungan Voltan Rendah GGJ menyokong pampasan fasa demi fasa atau mod pampasan bercampur. Dengan keupayaan anti-gangguan yang kuat, ia menahan denyutan gangguan amplitud 2000V terus dari grid, melebihi piawaian industri nasional. Setiap jam, peranti mengukur dan merekodkan voltan tiga fasa, arus, kekerapan, kuasa aktif, kuasa reaktif, faktor kuasa, tenaga aktif, tenaga reaktif pada bahagian voltan rendah pengubah, serta jumlah kadar herotan voltan/arus dan kandungan harmonik ke-2 hingga ke-25. Dilengkapi dengan antara muka RS-232 dan RS-485, ia membolehkan transkripsi data melalui komputer pegang tangan.

Melalui komunikasi jauh, ia mencapai bacaan meter wayarles, ujian peranti, konfigurasi parameter dan akses kepada data masa nyata dan direkodkan. Fungsi analisis data terbina dalam menyokong pemprosesan, statistik dan pertanyaan data beban operasi. Ia menilai kualiti bekalan kuasa secara menyeluruh dengan mengira kadar kelayakan voltan, kadar beban, kadar kebolehpercayaan dan kadar beban maksimum. Pengguna boleh menyemak faktor kuasa, kuasa aktif dan kuasa reaktif untuk tempoh masa yang berbeza, menjana lengkung untuk voltan fasa, arus, faktor kuasa, dsb., dan mencetak laporan analisis dan statistik komprehensif.

Menguatkuasakan piawaian

IEC439: 《Peralatan suis voltan rendah dan peralatan kawalan》
GB7251: 《Gear suis voltan rendah》

Jenis penerangan

Keadaan perkhidmatan biasa

1. Suhu udara ambien tidak boleh melebihi +40℃ atau di bawah -5℃, dan suhu purata 24 jam tidak boleh melebihi +35℃. Jika had suhu ini melepasi, anda perlu mengurangkan kapasiti peranti untuk operasi berdasarkan keadaan sebenar.
2. Alat Suis Gabungan Voltan Rendah GGJ ini direka untuk kegunaan dalaman sahaja, dan ketinggian tapak pemasangan mestilah tidak melebihi 2000 meter.
3. Apabila suhu maksimum mencecah +40 ℃, kelembapan relatif udara ambien harus kekal di bawah 50%. Pada suhu yang lebih rendah, kelembapan yang lebih tinggi boleh diterima—contohnya, 90% pada +20 ℃. Anda juga harus mengambil kira pemeluwapan sekali-sekala yang mungkin terbentuk akibat turun naik suhu.
4. Semasa pemasangan, kecondongan peranti dari satah menegak tidak boleh lebih daripada 5°, dan keseluruhan baris kabinet hendaklah agak rata. Adalah penting untuk memasang peranti di lokasi yang bebas daripada getaran dan kesan yang teruk, di mana komponen elektrik tidak akan terdedah kepada kakisan yang berlebihan.

Lebar kabinet (A) Kedalaman kabinet (B) Jarak lubang pelekap (a) Jarak lubang pelekap (b)
800 500 685 385
600 800 485 685
600 1000 485 885
800 800 685 685
800 1000 685 885
1000 800 885 685
1000 1000 885 885
item Parameter
Voltan penebat berkadar (V) 660
Voltan Operasi Berkadar (V) 380/660
Voltan Berkadar Litar Bantu (V) AC 220/380
DC 110/220
Kekerapan Operasi (Hz) 50- 60
Arus berkadar (A) Bar Bas Mendatar <3150
Bar Bas Menegak 630/800
Dinilai Masa pendek menahan Arus Garis tengah (kA/1 s) 50
Bar-bas (kA/1 s) 30
Arus Puncak Dinilai (kA/0.1 s) 105/50
Kapasiti Pecah Unit Berfungsi (kA) 50 (nilai berkesan)
Ijazah Perlindungan Kabinet IP40
Bar bas Sistem wayar tiga fasa empat, sistem wayar tiga fasa lima
Mod Pengendalian Di tapak, jarak dan automatik

kekuatan

1.Untuk pertimbangan perolehan: Alat Suis Gabungan Voltan Rendah GGJ daripada Welcome (Wenzhou) Electric Co., Ltd. dilengkapi dengan berbilang slot pengudaraan di bahagian atas dan bawah kabinet. Reka bentuk ini mencipta aliran udara semula jadi dari bawah ke atas di dalam kabinet yang dimeterai, dengan berkesan menangani cabaran pelesapan haba untuk operasi yang boleh dipercayai.
2. Pintu instrumen perkakas suis—dilengkapi dengan komponen elektrik—dan bahagian pelekap dalaman membentuk litar perlindungan pembumian yang lengkap, memastikan kesinambungan pembumian yang konsisten pada setiap masa.
3. Kami meletakkan bar bas utama di bahagian atas belakang kabinet, dipasangkan dengan pengapit busbar jenis AMJ yang dibuat daripada bahan DMC/SMC poliester tak tepu berkekuatan tinggi. Pengapit ini memberikan kekuatan mekanikal yang luar biasa dan prestasi penebat, manakala penutup atas kabinet boleh tanggal memudahkan pemasangan dan pelarasan bar bas utama di tapak.
4. Kabinet mempunyai salutan serbuk elektrostatik untuk lekatan yang kuat, dan semua komponen dalaman menjalani rawatan galvanisasi dan pempasifan. Ini meningkatkan keupayaan "tiga kalis" perkakas suis: rintangan kelembapan, rintangan habuk dan rintangan kakisan, memanjangkan hayat perkhidmatannya dalam persekitaran yang pelbagai.
5. Untuk memenuhi keperluan projek yang berbeza, Alat Suis Gabungan Voltan Rendah GGJ menyokong berbilang pilihan kemasukan kabel—masuk atas, masuk bawah dan masuk belakang—menawarkan pemasangan fleksibel untuk projek perolehan.

Arahan pesanan

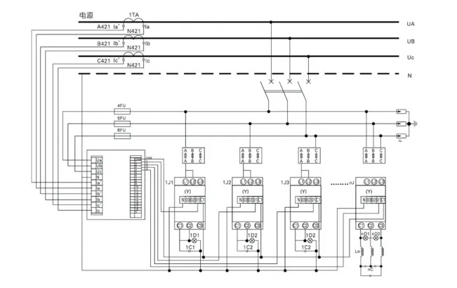
◇ Gambar rajah litar utama;
◇ Kapasiti pampasan dan kaedah pampasan;
◇ Jika ia tidak mematuhi keadaan operasi biasa produk, ia mesti dinyatakan terlebih dahulu.


Teg Panas: Alat Suis Gabungan Voltan Rendah GGJ, China, Pengilang, Pembekal, Kilang, Borong, Disesuaikan, Dalam Stok, Buatan China, Harga Rendah, Kualiti
Hantar Pertanyaan
Maklumat Hubungan
Hantar pertanyaan kepada Comewill untuk suis, pemutus litar vakum, pengubah arus. Dapatkan sebut harga tersuai, harga rendah atau sokongan pakar daripada pasukan kilang China kami.
X
Kami menggunakan kuki untuk menawarkan anda pengalaman menyemak imbas yang lebih baik, menganalisis trafik tapak dan memperibadikan kandungan. Dengan menggunakan tapak ini, anda bersetuju dengan penggunaan kuki kami. Dasar Privasi
Tolak Terima